联轴器-CAD机械零件图纸
法兰盘-2张CAD机械零件图纸
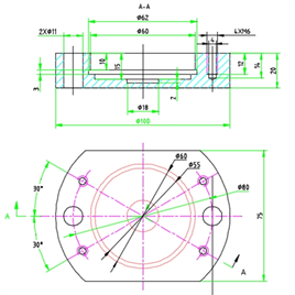
端盖2个CAD机械零件图纸
挡盖CAD机械零件图纸
1张CAD凸轮机械零件图纸
1张CAD偏心轮机械零件图纸
1张CAD轮形飞轮机械零件图纸
1张CAD链轮机械零件图
2个CAD带轮机械零件图纸
1个CAD锥齿轮轴机械零件图纸
1个CAD直齿圆柱齿轮机械零件图纸
1个CAD圆锥齿轮机械零件图纸
1个CAD机械圆柱齿轮图纸
1个CAD输出轴齿轮零件图纸
CAD棘轮机械零件图纸
CAD齿轮零件图纸