【职业课】-CAD机械制图设计实战班

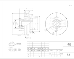
第11节:盘类槽轮的复杂图形结构表达及整体布局方案

【职业课】-CAD机械制图设计实战班

澎湃 关注TA

关注人数:59

  • 课程目录
  • 课程信息
难度等级:
高级进阶
视频时长:
68分09秒
浏览人数:
189459

本课概要:

盘类槽轮的复杂图形结构表达及整体布局方案

免费视频

每个学员每天可以免费学习

您今日已经学习了课,分享了次,还剩次学习机会

VIP特惠
在线客服

QQ扫一扫加群

QQ服务群号943465408 客服热线:18003060140 在线客服 工作日:9:00 - 22:00