PPT-2013零基础入门全面精通
绘声绘影X8零基础入门全面精通
CDR-X6零基础入门全面精通
AI-CC2018零基础入门全面精通
CAD-2007零基础入门到精通
AECC零基础入门全面精通
老万 关注TA
关注人数:381
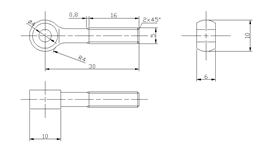
面域及布尔运算高效绘图技讲2
每个学员每天可以免费学习课
您今日已经学习了课,分享了次,还剩次学习机会
QQ扫一扫加群
认真评价课程可获得40积分哦~ 发表评论
课程很好 只是不知道怎么了有时找不到作业 有时可以看到学习进度 有时看不到
课程学了差不多一半了,感觉真的很受用。只是能抽出时间来学习比较少,希望能尽快学完CAD,下一个目标就是万老师的Solidworks
嗯,不错哦
很好,通俗易懂。
除了 讲课,还能讲些实践,
尺寸颜色怎么改的
比如第一集一开始有些简化的过程中,能解释下复选框去与不去有何不同便于理解就更好了,其它都很详细
不错,老师讲解的还挺细
阿尔优惠券嗯就是没弄完视如己出是你说的房间卡东莞麻二手的想法改变就马上投入克鲁赛德魔都风云生日是充分估计明年的
有人说倾斜阵列老师不会用!师傅领进门修行靠个人!我也是新学的,我没问别人但是我可以总结出三种倾斜阵列的画法!秒成!~